Search by Part Number
Search Help For Tool Holder
Quick Search
Manufacturer
All
Star
Model
All
ECAS-12/20
ECAS-32T
SB-12/20R
SB-16C
SB-16D/E
SB-16III
SD-26C/E/G/S
SF-25
SL-7/10
SP-23
SR-10J
SR-20J/JN SR-20JII-A
SR-20JII-B
SR-20RII
SR-20RIII
SR-20RIV
SR-32J/JN
SR-32JII-A
SR-32JII-B/JIII-B
SR-38 (Type A/B)
ST-20/ECAS-20T
ST-38
SV-12
SV-20
SV-20R
SV-32
SV-32JII
SV-38R
SW-12RII
SW-20
SX-38-A
SX-38-B
Werkzeughalter
All
fixed tool holder
rotary tool holder
630
Products
Detailed Search
Contact
STAR Micronics GmbH
Robert-Grob-Straße 1
D-75305 Neuenbürg
+49 7082 7920-0
info@starmicronics.de
www.starmicronics.de
Shopping List
Shopping List is Empty
Detailed View
Add to Shopping List
Data Sheet in pdf Format
Request
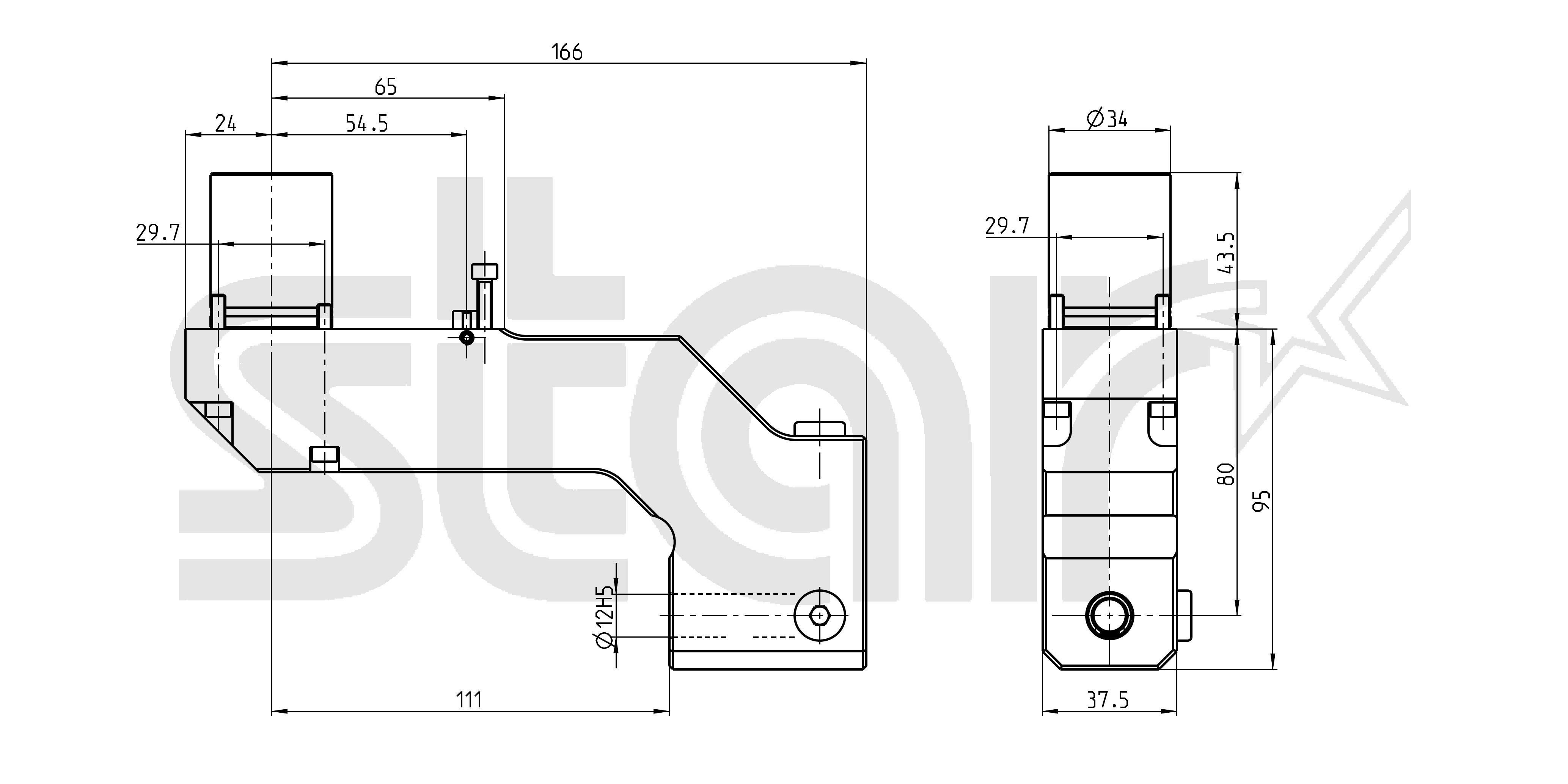
Sleeve holder for deep drilling Ø12mm
Part Number
7.170.390
for
11 Machines
Additional CAD Files:
2D-View
3D-View
2D-View
3D-View / QR-Code
Upload to Smart Phone
Add to Shopping List
Data Sheet in pdf Format
Copyright 2026 STAR Micronics |
Home
|
Who we are