Search by Part Number
Search Help For Tool Holder
Quick Search
Manufacturer
All
Star
Model
All
ECAS-12/20
ECAS-32T
SB-12/20R
SB-16C
SB-16D/E
SB-16III
SD-26C/E/G/S
SF-25
SL-7/10
SP-23
SR-10J
SR-20J/JN SR-20JII-A
SR-20JII-B
SR-20RII
SR-20RIII
SR-20RIV
SR-32J/JN
SR-32JII-A
SR-32JII-B/JIII-B
SR-38 (Type A/B)
ST-20/ECAS-20T
ST-38
SV-12
SV-20
SV-20R
SV-32
SV-32JII
SV-38R
SW-12RII
SW-20
SX-38-A
SX-38-B
Werkzeughalter
All
fixed tool holder
rotary tool holder
630
Products
Detailed Search
Contact
STAR Micronics GmbH
Robert-Grob-Straße 1
D-75305 Neuenbürg
+49 7082 7920-0
info@starmicronics.de
www.starmicronics.de
Shopping List
7.170.845 Sleeve holder for de...
View Shopping List
Detailed View
Add to Shopping List
Data Sheet in pdf Format
Request
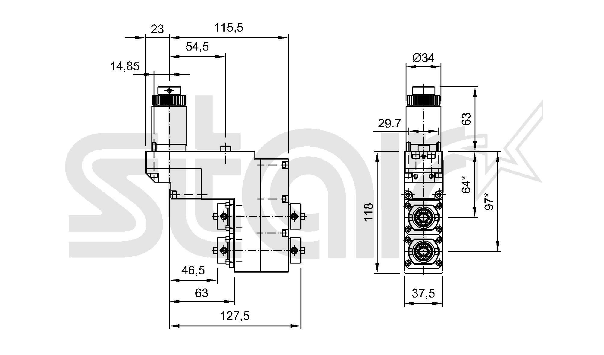
2-spindle double front drilling-/milling unit DECOFLEX®15 for front- and backworking
Part Number
7.074.715
for
9 Machines
Ratio
1:1
rpm at Input
max. 8000 rpm
rpm at Output
max. 8000 rpm
Torque at Output
max. 13 Nm
Direction of Rotation
Scope of Delivery
* Actual size inscribed on the tool
Accessories
DECOFLEX® Adapter 15
Additional CAD Files:
2D-View
3D-View
2D-View
3D-View / QR-Code
Upload to Smart Phone
Add to Shopping List
Data Sheet in pdf Format
Copyright 2026 STAR Micronics |
Home
|
Who we are