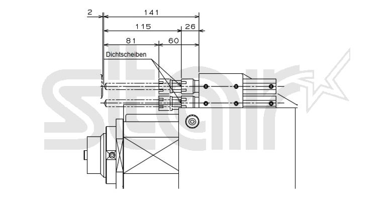
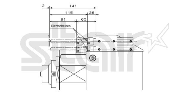
Drill sleeve ER16; shank: Ø22mm; for deep drilling

Part Number 681-21-00 ,
for 2 Machines
Additional CAD Files:
2D-View
3D-View
2D-View
QR-Code

Upload to Smart Phone
 


1 / 3

Copyright 2026 STAR Micronics | Home | Who we are