Direktsuche über Artikelnummer
Suchassistent Werkzeughalter
Schnellsuche
Hersteller
Alle
Star
Modell
Alle
ECAS-12/20
ECAS-32T
SB-12/20R
SB-16C
SB-16D/E
SB-16III
SD-26C/E/G/S
SF-25
SL-7/10
SP-23
SR-10J
SR-20J/JN SR-20JII-A
SR-20JII-B
SR-20RII
SR-20RIII
SR-20RIV
SR-32J/JN
SR-32JII-A
SR-32JII-B/JIII-B
SR-38 (Type A/B)
ST-20/ECAS-20T
ST-38
SV-12
SV-20
SV-20R
SV-32
SV-32JII
SV-38R
SW-12RII
SW-20
SX-38-A
SX-38-B
Werkzeughaltertyp
Alle
angetriebene Werkzeuge
feste Werkzeuge
632
Produkte
Detailsuche
Kontakt
STAR Micronics GmbH
Robert-Grob-Straße 1
D-75305 Neuenbürg
+49 7082 7920-0
info@starmicronics.de
www.starmicronics.de
Merkliste
Die Merkliste ist leer
Detailansicht
In Merkliste legen
Datenblatt als PDF
Anfrage
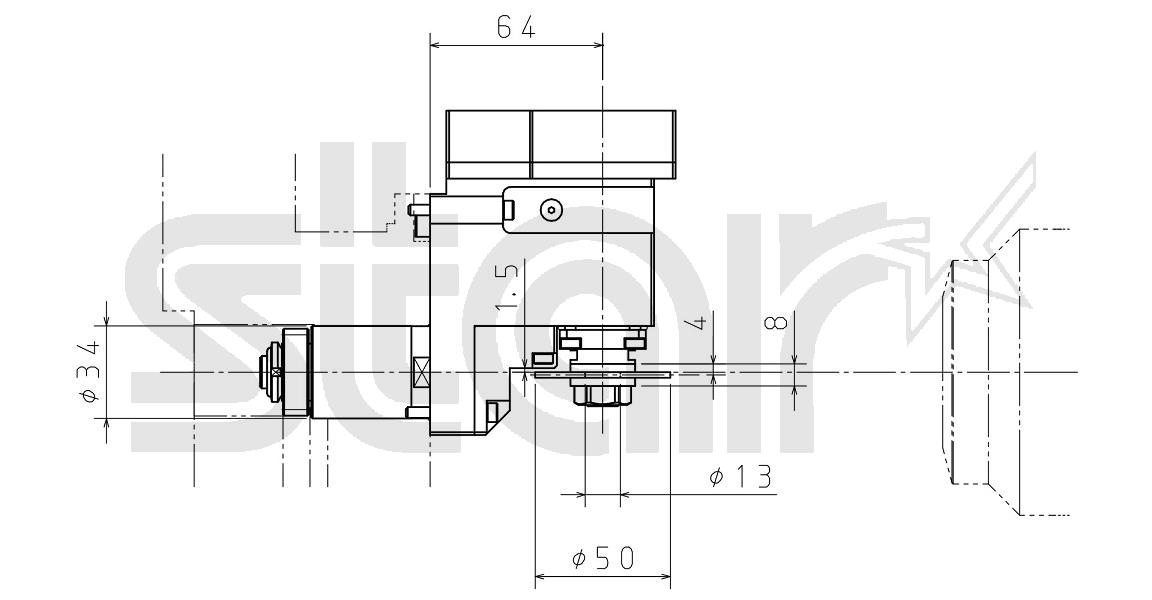
Schlitzapparat für Säge Ø50xØ13mm für Rückseitenbearbeitung
Bestell-Nr.
101-99-00 ,
für
2 Maschinen
Übersetzung
2:1
Eingangsdrehzahl
max. 6000 1/min
Ausgangsdrehzahl
max. 3000 1/min
Ausgangsdrehmoment
max. 13 Nm
Drehrichtung
Zusätzliche CAD-Dateien finden Sie hier:
2D-Ansicht
3D-Ansicht
2D-Ansicht
QR-Code
Produkt ins Smartphone übernehmen
In Merkliste legen
Datenblatt als PDF
Copyright 2025 STAR Micronics |
Home
|
Impressum